|
N1 G92 X0 Y0 Z50 N2 M03 S500 N3 G00 X19 Y24 N4 Z5 N5 G01 Z-3 F40 N6 Y56 N7 G02 X29 Y66 R10 (N7 G02 X29 Y66 I10) N8 G01 X71 N9 G02 X81 Y56 R10 (N9 G02 X81 Y56 J-10) N10 G01 Y24 N111 G02 X71 Y14 R10 (N11 G02 X71 Y14 I-10) N12 G01 X29 N13 G02 X19 Y24 R10 (N13 G02 X19 Y24 J10) N14 G00 Z50 N15 X0 Y0 N16 M30 |
![]() |
- 子程序(xù):
- 一次裝夾加工多個相同零件或一個零件有重複加工(gōng)部分的情況下(xià)可使用子程序。
- 說明:子程序不是NC係統的標準功能,不同的NC係統所用的指令和格式均不相(xiàng)同。
-
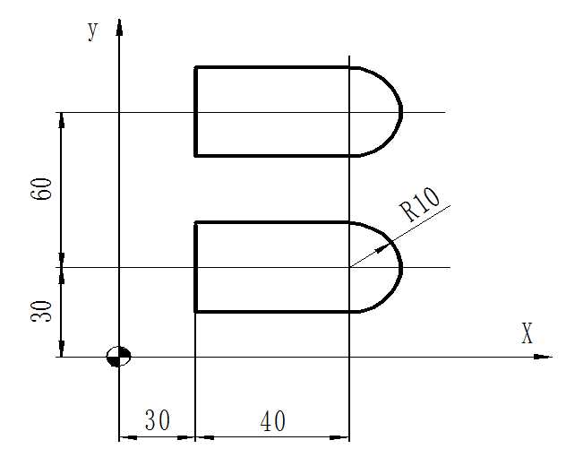
例一:如圖所示,加工兩個相同的工件,試編寫其加工程序(xù)。Z軸開始點為(wéi)工件上方100mm處,切深10mm。

|
子程(chéng)序 O100; N10 G91 G00 Z-95.0; N20 G41 X40.0 Y20.0 D01; N30 G01 Z-15.0 F100.0; N40 Y30.0; N50 X-10.0; N60 X10.0 Y30.0; N70 X40.0; N80 X10.0 Y-30.0; N90 X-10.0; N100 Y-20.0; N110 X-50.0; N120 Z110.0; N130 G40 X-30.0 Y-30.0 M99; |
1、編寫子程序時,一般(bān)采用增量方式(shì)編程(chéng),這樣可減少計算量(liàng)。
2、主程序中的模態指令可被子程序中同一(yī)組的其它G代碼所*改。如子程(chéng)序用了G91代碼後,在返回主(zhǔ)程(chéng)序時將繼續以G91方式進行,故應特別注意代(dài)碼(mǎ)的轉換,否則可能產生位置錯誤。
3、調用程序時使用刀補,*好不要(yào)在刀具補償狀態下的主程序中調用子程序,換句話說,刀補的建立和取消(xiāo)應在子程序中進行。如果必須在主程序中建立,則應在主程序中消除。決不能在主程序中(zhōng)建立,在子程序中消除,也不能在(zài)子程(chéng)序中建立,在主程序中消除,否則極易出錯。
4、子程序不能單獨運行。
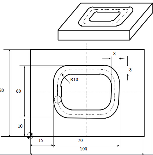
例二:如圖所示,加工兩個相同的工件,試編寫其加工程序。切深10mm。




